氣動薄膜防腐蝕調節閥
一、氣動襯氟調節閥 產品概述
本公司的ZJHPF46系列氣動襯氟調節閥是由氣動薄膜執行機構直通單座襯氟調節閥閥體兩部分組成。氣動襯四氟調節閥閥體接觸腐蝕介質的部位均采用耐腐蝕的聚全氟乙丙烯,高壓襯氟塑工藝,又采用聚四氟乙烯波紋管密封。氣動襯氟單座調節閥具有對酸、堿等高度強腐蝕介質和有毒揮發的氣體、液體介質流量的調控。因而氣動襯氟調節閥主要適用于化工、冶金等行業中。該產品主要特點:
(1)耐腐性好:閥內腔、閥芯、閥座、均包襯有3mm厚的聚全氟乙丙烯,能耐強腐蝕性流體。
(2)密封性能好:采用聚四氟乙烯波紋管和填料雙重密封。
(3)泄漏量少:由于閥芯、閥座是軟密封的泄漏量遠遠低于國家Ⅳ級標準。
(4)調節精度高:采用精小型的氣動執行機構和電動執行機構,體積小,重量輕。
|
|
|---|---|
| ZJHPF46氣動襯四氟調節閥(配HEP定位器) | ZJHPF46氣動襯氟調節閥(配YT1000定位器) |
二、氣動襯氟調節閥 主要技術參數
| 公稱通徑(DN) | 20 | 25 | 32 | 40 | 50 | 65 | 80 | 100 | 150 |
|---|---|---|---|---|---|---|---|---|---|
| 閥座直徑(dn) | 20 | 25 | 32 | 40 | 50 | 65 | 80 | 100 | 150 |
| 額定流量系數(KV) | 5.0 | 8 | 12 | 20 | 32 | 50 | 70 | 100 | 240 |
| 允許壓差(MPa) | 3.8 | 3.2 | 3.0 | 2.0 | 1.8 | 1.5 | 1.4 | 1.0 | 0.6 |
| 公稱壓力(MPa) | 1.6、2.5、4.0、6.4 | ||||||||
| 額定行程(mm) | 16 | 25 | 40 | 60 | |||||
| 配用執行器型號 | ZHA/B-22 | ZHA/B-23 | ZHA/B-34 | ZHA/B45 | |||||
| 閥芯形式 | 單座柱塞式襯氟閥芯 | ||||||||
| 流量特性 | 快開特性 | ||||||||
三、氣動襯氟調節閥 執行器技術參數
| 配置執行器類別 | ZHA/B多彈簧簿膜執行機構 | ||||
|---|---|---|---|---|---|
| 執行器型號 | ZHA/B-22 | ZHA/B-23 | ZHA/B-34 | ZHA/B-45 | ZHA/B-56 |
| 有效面積(cm2) | 350 | 350 | 560 | 900 | 1400 |
| 行程(mm) | 10、16 | 24 | 40 | 40、60 | 100 |
| 彈簧范圍(KPa) | 20~100(標準)、20-60、60-100、40-200、80-240 | ||||
| 膜片材料 | 丁腈橡膠夾尼龍布、乙丙橡膠夾尼龍布 | ||||
| 供氣壓力 | 140~400KPa | ||||
| 氣源接口 | RC1/4" | ||||
| 環境溫度 | -30~+70℃ | ||||
| 可配附件 | 定位器、空氣過濾減壓器、保位閥、行程開關、閥位傳送器、手輪機構等 | ||||
| 作用形式 | 氣關式(B)—失氣時閥位開(FO);氣開式(K)—失氣時閥位關(FC) | ||||
四、氣動襯氟調節閥 主要零件材料
| 閥體、閥蓋 | ZG230-450襯F46 |
|---|---|
| 閥座、閥芯 | 304襯F46 |
| 閥桿 | 304襯F46 |
| 導向套 | 304襯F46 |
| 波紋管 | 不銹鋼+F46 |
五、氣動襯氟調節閥 主要性能指標
| 項目 | 不帶定位器 | 帶定位器 | ||
|---|---|---|---|---|
| 基本誤差% | ±5.0 | ±1.0 | ||
| 回差% | 3.0 | 1.0 | ||
| 死區% | 3.0 | 0.4 | ||
| 始終點偏差% | 氣開 | 始點 | ±2.5 | ±1.0 |
| 始點 | ±5.0 | ±1.0 | ||
| 氣關 | 始點 | ±5.0 | ±1.0 | |
| 終點 | ±2.5 | ±1.0 | ||
| 額定行程偏差% | ≤2.5 | |||
| 泄露量L/h | 0.01%×閥額定容量 | |||
| 可調范圍R | 30:1 | |||
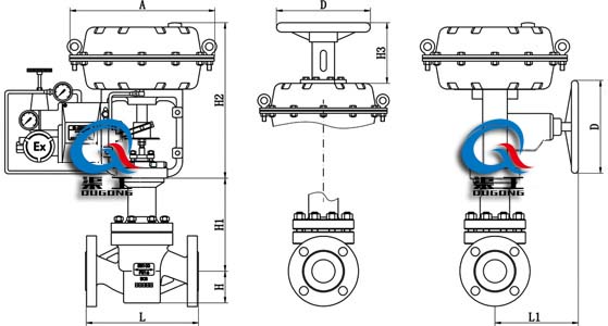
六、氣動襯氟調節閥 外形圖
|
|---|
| ZJHPF46氣動襯氟調節閥 (外形尺寸圖) |
七、氣動襯氟調節閥 安裝連接尺寸
| 公稱通徑(DN) | 20 | 25 | 32 | 40 | 50 | 65 | 80 | 100 | 125 | 150 | |
|---|---|---|---|---|---|---|---|---|---|---|---|
| L | PN16/25 | 181 | 184 | 200 | 222 | 254 | 276 | 298 | 352 | 410 | 451 |
| PN40 | 194 | 197 | 200 | 235 | 267 | 292 | 317 | 368 | 425 | 473 | |
| PN64 | 206 | 200 | 210 | 251 | 286 | 311 | 337 | 394 | 440 | 508 | |
| H | PN16/25 | 52.5 | 57.5 | 75 | 75 | 85.5 | 92.5 | 100 | 110 | 142.5 | 158 |
| PN40 | 52.5 | 57.5 | 75 | 75 | 82.5 | 92.5 | 100 | 117.5 | 150 | 167.5 | |
| PN64 | 65 | 40 | 85 | 85 | 90 | 102.5 | 107.5 | 125 | 172.5 | 195 | |
| H1 | 132 | 132 | 158 | 170 | 179 | 214 | 221 | 234 | 270 | 294 | |
| H2 | 298 | 298 | 298 | 298 | 298 | 380 | 380 | 380 | 510 | 510 | |
| H3 | 180 | 180 | 180 | 180 | 180 | 236 | 236 | 236 | 310 | 310 | |
| L1 | 289 | 289 | 289 | 289 | 289 | 347 | 347 | 347 | 476 | 476 | |
| A | 282 | 282 | 282 | 282 | 282 | 360 | 360 | 360 | 470 | 470 | |
| D | 220 | 220 | 220 | 220 | 220 | 270 | 270 | 270 | 320 | 320 | |


滬公網安備31012002006630號
